Блок управления, резистор и реостат системы климата













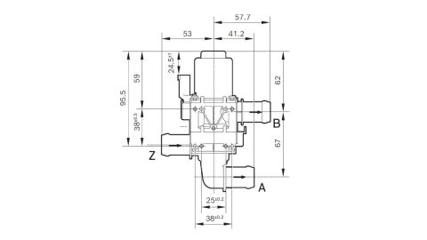
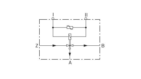
Регулирующий клапан охлаждающей жидкости

Чтобы проверить совместимость запчасти, добавьте свой автомобиль
Регулирующий клапан охлаждающей жидкости

Чтобы проверить совместимость запчасти, добавьте свой автомобиль
– Код: 1 147 412 211
– Бренд:
BOSCH (Германия
Оплата наличными при получении, картой или по безналичному расчету для юридических лиц.
Обмен/возврат товаров надлежащего качества в соответствии с действующим законодательством Украины.
Гарантия действует на все товары, детали можно уточнить у менеджеров по телефону.
Аналогичные товары


- Серийный номер
- CTM-AR-006
- Тип клапана
- Соленоидный клапан
- Вид эксплуатации
- электрический















